IDMAR Zawór zwrotny DN150 grzybkowy kołnierzowy typ FAF 2250 1.6MPa
Wystaw opinię o produkcie
Kod produktu: APF150FAF2250
IDMAR Zawór zwrotny grzybkowy DN150 FAF 2250 1.6 MPa – kołnierzowy, do wody. Solidny zawór przemysłowy, odporny na intensywną eksploatację. Zapewnia szczelność i trwałość w instalacjach wodnych i przemysłowych.
Opis
Zawór zwrotny grzybkowy DN150 typ FAF 2250 kołnierz 1.6MPa
APF150FAF2250
Zastosowanie:
Zawór zwrotny grzybkowy DN150 typ FAF 2250 kołnierz 1.6MPa przeznaczony do instalacji parowych, gazowych, zimnej i ciepłej wody, systemów ciśnieniowych gorącej wody, każdego płynu bez kwasowości i zasadowości oraz sprężonego powietrza.

Budowa zaworu:
- Korpus
- Pierścień gniazda
- Dysk
- Kula
- Śruba
- Uszczelka
- Śruba / Nakrętka
- Trzpień
- Uszczelnienie
- Dławica
- Osłona
- Nakrętka
- Śruba / Nakrętka
- Śruba
- Pokrętło
- Uszczelka nakrętki
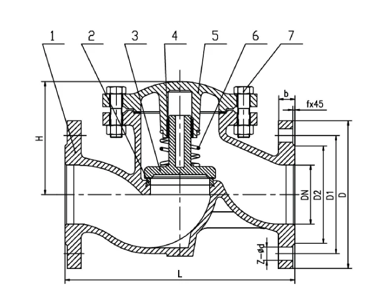
Wymiary:
| DN | 150 mm |
| L | 480 mm |
| D | 285 mm |
| D1 | 240 mm |
| D2 | 212 mm |
| H | 253 mm |
| b | 26 mm |
| f | 3 mm |
| Z-d | 8-23 mm |
Specyfikacja:
| Średnica: | DN 150 mm |
| Rodzaj: | zwrotny |
| Typ: | grzybkowy kołnierzowy |
| Ciśnienie: | 1,6 MPA |
| Temperatura pracy: | od -10 do +230°C |
| Norma: | PN-EN 1074-3 |
Cechy produktu
Zawory przemysłowe
- Rodzaj zaworu grzybkowy
- Grupa 2
- Rozmiar DN 150
- Ciśnienie maksymalne PS 16
- Temperatura od -10°C do +120°C
- Rodzaj materiału żeliwo
Opinie
Jeśli dodałeś/-aś recenzję, a nie pojawiłą się na liście, być może oczekuje na moderację.
Wystaw opinię o produkcie
Bezpieczeństwo produktu
Producent
ZPU Idmar IDI Capital Group Spółka z o. o. Spółka k.
Krosno ul. Główna 9a
62-050 Mosina, Polska

